ACREL Hospital Isolated Power Supply Application in Malaysia
安科瑞 周莉娜
摘要:随着电子医疗设备在医院领域的广泛应用,漏电流对病人构成的威胁也越来越大,尤其是那些生命攸关的场所,病人在手术中或麻醉状态下,各种电极、传感器直接插入人体内,微小的漏电流都有可能导致病人触电身亡。另外有些医疗设备用于维持重症病人的生命,一旦设备停电,也会对病人的生命构成威胁。因此,对于医院这一特殊场所的电气设计,应严格按照国家标准和规范要求,采用IT系统供电。本文介绍了马来西亚医疗IT在医院的应用。
Abstract:With the widespread application of electronic medical equipment in hospitals, the threat of leakage current to patients is becoming greater and greater, especially in places where life is critical. The patients are directly exposed to various electrodes and sensors during surgery or anesthesia. Inserted into the human body, even the slight leakage current may cause the patient to be electrocuted. In addition, some medical equipment is used to maintain the lives of critically ill patients. Once the equipment is powered off, it will also threaten the lives of patients. Therefore, for the electrical design of the special place of the hospital, the IT system should be used for power supply in strict accordance with national standards and regulations.This article introduces the application of Medical isolated power supply in Malaysia,
关键字:医疗IT,绝缘监测仪,故障定位仪
Keywords:Medical IT,Insulation monitor device,fault locator
0.项目概述:Project Overview
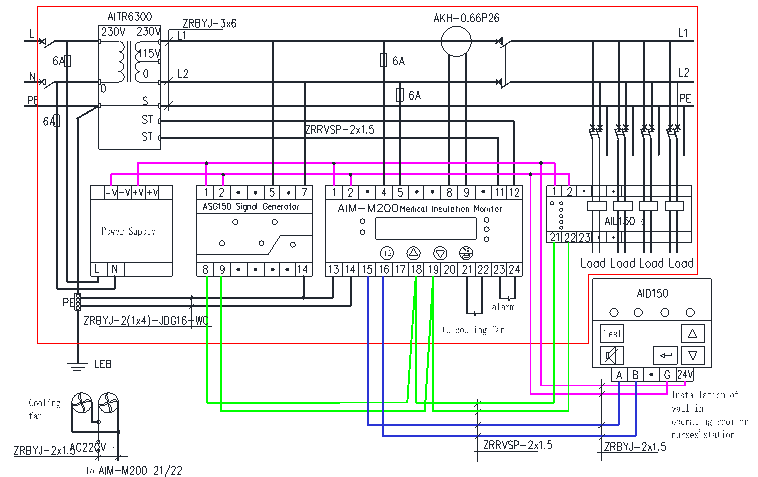
马来西亚IED公司位于雪兰莪州,本次项目主要用于马来西亚槟榔医院的3套12路绝缘故障定位,主要用的产品有绝缘监测仪AIM-M200,测试信号发生器ASG150,集中报警与显示仪AID150,绝缘故障定位仪AIL150-8,AIL150-4以及漏电流互感器AKH-0.66P26.
Malaysia I.E.D is located in SELANGOR DARUL EHSAN,the project is mainly used in island hospital in Malaysia,the products are used for 12 circuit insulation fault location for 3 sets hospital isolated power system,the related products are insulation monitor device AIM-M200,signal test generator ASG150,centralized alarm indicator AID150,insulation fault locator AIL150-8,AIL150-4 and leakage current transformer AKH-0.66P26.
1.医疗IT系统介绍Medical IT system Introduction
安科瑞医用IT系统绝缘监测故障定位装置及系统适用于医院的手术室、ICU(CCU)监护病房等重要场所,能为这类场所提供安全、连续、可靠的供电解决方案。
ACREL medical IT system insulation monitoring device and fault location system is suitable for hospital operating room, ICU (CCU) and other important places, and can provide a safe place for such continuous, reliable power solutions.
2.医疗场所供电解决方案Power Supply Solution for Medical Locations
2.1 ICU、CCU病房配电解决方案(以GGF-I8G隔离配电柜系统图为例)

方案一 不带故障定位功能
Option I without fault location function

方案二 带故障定位功能
Option II with fault location function
注:在重症监护室的配电解决方案中,AID系列集中报警与显示仪应该安装在护士站内,由护士站的医务人员来监视各隔离电源系统的运行状况。
NOTE: In the power distribution solutions of intensive care unit , AID series centralized alarm and display device should be installed in the nurses 'station, the hospital staff of nurses' station monitor the Operating status of each isolated power system
2.2手术室配电解决方案(以GGF-O8G隔离配电柜系统图为例)
Operating Room Distribution Solutions (GGF-O8G isolate electrical cabinet system diagram, for example)

方案一 不带绝缘故障定位功能
Option I without insulation fault location function

方案二 带绝缘故障定位功能
Option II with insulation fault location function
注:1.在手术室的配电解决方案中,AID系列外接报警与显示仪应安装于手术室内部情报面板上,或情报面板的旁边(嵌墙安装)。在手术过程中,由医务人员来监视隔离电源系统的运行状况。
2.带绝缘故障定位功能的方案中,如果需定位回路超过8路,可采用两套AIL150定位仪来实现,其组合可以是AIL150-8型+AIL150-4型(可多定位12路),或AIL150-8型+AIL150-8型(可多定位16路)。
Note: 1. In the operating room power distribution solutions, AID series of external alarm and display device should be installed on the intelligence panel inside the operating room, or next to the intelligence panel (wall mounted installation). During surgery, the medical staff monitor the health of isolated power system.
2. In the scheme with insulation fault location function,if the number of located channels is more than eight,two sets of AIL150 locator can be used. The combination can be AIL150-8 and AIL150-4 (up to 12 channels), or AIL150 -8 and AIL150-8 (up to 16 channels).
3.接线图Typical wiring diagram

4.医疗IT七件套产品介绍 Introduction of 7-Piece Medical IT


5.现场图片 On site Photos


参考文献 Bibliography
1、IT System Insulation Monitoring Device and Fault Location System of Acrel.
2、IEC60354-7-710,Electrical installations of buildings-Part 7-710:Requirements for special installations or locations - Medical locations.